Suzuki GSX-R e848 K2

Themen die sonst nirgendwo rein passen.
Rovi
Beiträge: 752
Registriert: Fr 5. Mai 2017, 08:39
Postleitzahl: 96114
Motorrad Scooter: GSXR e1000

Re: Suzuki GSXR e1000

Beitrag von Rovi » Mi 11. Okt 2017, 09:42

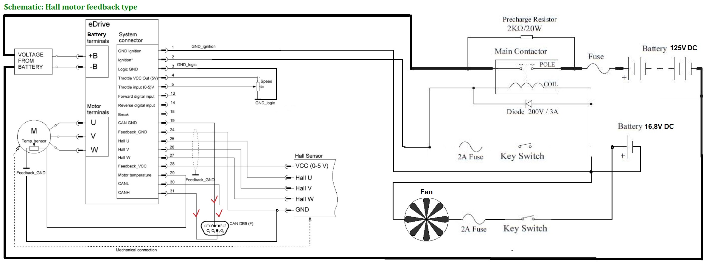
Stromlaufplan gezeichnet, so wie ich es anschließen werde.

Anschlußkabel vorkonfektioniert, damit ich den PC anschließen kann
Dateianhänge
Circuit_diagram_-_PC_connetion_c.jpg
IMG_1226.JPG

Rovi
Beiträge: 752
Registriert: Fr 5. Mai 2017, 08:39
Postleitzahl: 96114
Motorrad Scooter: GSXR e1000

Re: Suzuki GSXR e1000

Beitrag von Rovi » Do 12. Okt 2017, 07:43

Nachdem ich den 35 poligen Stecker nochmals komplett zerlegt habe da nicht alle Pins vorhanden waren, die ich benötige und ihn nun so modifiziert habe, wie ich ihn benötige habe ich die vorerst provisorische Verdrahtung abgeschlossen.
Nun heißt es Akkus laden, schauen, ob ich mit dem PC online komme um den Regler dann auf den Motor zu parametrieren.
Das wird aber leider noch etwas dauern!
Dateianhänge
IMG_1230a.jpg

Rovi
Beiträge: 752
Registriert: Fr 5. Mai 2017, 08:39
Postleitzahl: 96114
Motorrad Scooter: GSXR e1000

Re: Suzuki GSXR e1000

Beitrag von Rovi » Fr 13. Okt 2017, 10:39

Gestern hatte ich es nach etwas anfänglichen Schwierigkeiten doch noch geschafft kurz online (Regler-PC) zu gehen und bin bis zu dem Schritt gekommen, das der Regler die Rotorlsge automatisch überprüft hatte (langsames vorwärts drehen, Stopp, langsames Rückwärts drehen, Stopp).
Jetzt bin ich schon mal etwas beruhigter. Trotzdem vergehen da noch mindestens 2 weitere Stunden, bis ich durch das normale Setting durch bin!
Mal schauen, wann es hier weiter geht!

Rovi
Beiträge: 752
Registriert: Fr 5. Mai 2017, 08:39
Postleitzahl: 96114
Motorrad Scooter: GSXR e1000

Re: Suzuki GSXR e1000

Beitrag von Rovi » Di 24. Okt 2017, 07:17

Habe nun über 10 Stunden mit der Software herumexperimentiert und bin leider immer noch nicht viel weiter gekommen.
Das Problem ist wirklich, das sie sehr dürftig dokumentiert ist und viele Handlungen erst nach mehrmaligen ausprobieren funktionieren.
In 1-2 Wochen gibt es wohl ein Update zur neusten Doku für die aktuelle SW.
Nichts desto trotz habe ich weiter gemacht und bin schon mal mit dem Carbon Geweih und der Carbon-VVK angefangen ...
Dateianhänge
Parameter Settings 008a.jpg
Parameter Settings 010a.jpg

Rovi
Beiträge: 752
Registriert: Fr 5. Mai 2017, 08:39
Postleitzahl: 96114
Motorrad Scooter: GSXR e1000

Re: Suzuki GSXR e1000

Beitrag von Rovi » Fr 27. Okt 2017, 09:41

Nun sind schon 16 Stunden vergangen und ich denke ich habe nun den ersten Teil der EInstellungsprozedur hinter mir.
Ziel war es den PI-Regler auf mein System (Batteriespannung/Motor/Controller) passend einzustellen.
Und ich denke ich habe nun eine passende Einstellung gefunden ... zumindest dreht sich schon mal das Rad!
Bei den Einstellungen wurde ein 40A Rechtecksignal auf den Motor gegeben, sowohl in positive as auch in negative Richtung.
Da das Signal sehr schnell wechselt kam vom Motor nur ein lautes Brummen, sodass der ganze Anhänger gewackelt hat.
Ein paar Kleinigkeiten zur Einstellung müssen noch geklärt warden aber so, wie es aussieht kann ich dann nächstes Jahr mit den Belastungstests anfangen. Denn jetzt heißt es zerlegen, neuen Anstrich verpassen, alles wieder zusammenbauen und dann noch das Wasserkühlsystem instalieren.
Wobei ich aber auch noch die ein oder andere Umbaumaßnahme zwecks Komponentenaufteilung durchführen werde.
Dateianhänge
T500_P1000_I500.jpg
Die rote Linie ist das vorgegebene Rechtecksignal, der die blaue Linie so schnell wie möglich folgen soll, ohne großartige Überschwinger zu haben.

Rovi
Beiträge: 752
Registriert: Fr 5. Mai 2017, 08:39
Postleitzahl: 96114
Motorrad Scooter: GSXR e1000

Re: Suzuki GSXR e1000

Beitrag von Rovi » Mi 8. Nov 2017, 08:10

Nachdem der Regler nun eingestellt ist, mehr oder weniger, fange ich nun an die Kiste zu zerlegen.
Regler ist schon wieder rausgebaut ...
Dateianhänge
Arosa - Mia - Wien 113a.jpg

Rovi
Beiträge: 752
Registriert: Fr 5. Mai 2017, 08:39
Postleitzahl: 96114
Motorrad Scooter: GSXR e1000

Re: Suzuki GSXR e1000

Beitrag von Rovi » Do 9. Nov 2017, 04:27

... und ein wenig später ...
Dateianhänge
5A38CFB4-B798-4BD6-8CE6-4A475A740F45.jpeg
2B9B38AD-2601-4E97-870E-13DA618634D2.jpeg
46DB73B0-C504-4E22-8E98-D8B1419B15A1.jpeg

Rovi
Beiträge: 752
Registriert: Fr 5. Mai 2017, 08:39
Postleitzahl: 96114
Motorrad Scooter: GSXR e1000

Re: Suzuki GSXR e1000

Beitrag von Rovi » So 12. Nov 2017, 16:23

... und weiter geht’s
Einige Schrauben/Verschraubungen waren wirklich Knüppelfest, quasi noch in Werkseinstellung!
Dafür konnte ich das Gewicht der Schwinge nochmals etwas vom Gewicht reduzieren. Habe elf M16 Schrauben gegen M10 Senkkopfschrauben getauscht und konnte somit 1,991 kg einsparen.
Jetzt kann ich nur noch putzen und dann kann ich die Rahmen zum lackieren abgeben und warten ...
Dateianhänge
93989FCB-5547-47B9-BBF2-9F5E4068235B.jpeg
2F44ED6F-9669-4B77-B511-8045A0BE9BA0.jpeg
214DF727-3879-4E89-B292-81F6BD44A018.jpeg
55B012AC-5909-431E-A402-7AA431C8034C.jpeg
5A1D2306-E3E0-4B81-B859-0DB0C8E30E4A.jpeg

Rovi
Beiträge: 752
Registriert: Fr 5. Mai 2017, 08:39
Postleitzahl: 96114
Motorrad Scooter: GSXR e1000

Re: Suzuki GSXR e1000

Beitrag von Rovi » Mo 20. Nov 2017, 08:03

Das letzte WE war mal etwas ruhiger ... nur die Carbon VVK geflickt ... wie schon geschrieben, jetzt darf noch alles angeschliffen werden ... eine Aufgabe, vor der ich mich gerne drücken würde!
Dateianhänge
IMG_1863.JPG
IMG_1865.JPG

Rovi
Beiträge: 752
Registriert: Fr 5. Mai 2017, 08:39
Postleitzahl: 96114
Motorrad Scooter: GSXR e1000

Re: Suzuki GSXR e1000

Beitrag von Rovi » Do 23. Nov 2017, 13:38

Mein ein kleiner Einbilck in die Emtstehung meiner nächsten Sonderanfertigung ...
Dateianhänge
IMG_1898.JPG

Antworten