Suzuki GSX-R e848 K2
-
- Beiträge: 751
- Registriert: Fr 5. Mai 2017, 08:39
- Postleitzahl: 96114
- Motorrad Scooter: GSXR e1000
Re: Suzuki GSX-R e848 K2
Hallo Benno,
dank des schmalen Reglers sieht das orangene Käbelchen aus wie ein Hungerhaken. Ist aber das gleiche, welches ich schon beim 800ARMS Emsiso Regler verwendet habe (50qmm).
Der Scott Drive kann maximal 600ARMS, wenn man die SW manipuliert wären sogar 700ARMS möglich, was aber auf die Lebensdauer der IGBT‘s schlägt, deshalb lasse ich die SW so eingestellt, wie sie vom Reglerhersteller parametriert wurde. Ich hoffe mit dem Bike nicht länger wie 10 Sekunden für die 1/4 Meile zu benötigen ... wenn möglich etwas schneller, sprich kürzer!
Danach ist lockeres ausrollen und Cruiser Mode zurück zum Standplatz angedacht. Dann wird eine Pause eingelegt bis sich alles abgekühlt hat. Ich werde allerdings erst einmal mit weniger Strom und Spannung anfangen. Dabei werde ich mal die Temp vom Kabel mit meinem günstigen Tempmesser messen. Aber bis dahin ist noch ein langer Weg! Habe jetzt noch ein kleines Video hochgeladen:
[youtube] https://youtu.be/1DaTNSqNQ2E[/youtube]
dank des schmalen Reglers sieht das orangene Käbelchen aus wie ein Hungerhaken. Ist aber das gleiche, welches ich schon beim 800ARMS Emsiso Regler verwendet habe (50qmm).
Der Scott Drive kann maximal 600ARMS, wenn man die SW manipuliert wären sogar 700ARMS möglich, was aber auf die Lebensdauer der IGBT‘s schlägt, deshalb lasse ich die SW so eingestellt, wie sie vom Reglerhersteller parametriert wurde. Ich hoffe mit dem Bike nicht länger wie 10 Sekunden für die 1/4 Meile zu benötigen ... wenn möglich etwas schneller, sprich kürzer!
Danach ist lockeres ausrollen und Cruiser Mode zurück zum Standplatz angedacht. Dann wird eine Pause eingelegt bis sich alles abgekühlt hat. Ich werde allerdings erst einmal mit weniger Strom und Spannung anfangen. Dabei werde ich mal die Temp vom Kabel mit meinem günstigen Tempmesser messen. Aber bis dahin ist noch ein langer Weg! Habe jetzt noch ein kleines Video hochgeladen:
[youtube] https://youtu.be/1DaTNSqNQ2E[/youtube]
-
- Beiträge: 751
- Registriert: Fr 5. Mai 2017, 08:39
- Postleitzahl: 96114
- Motorrad Scooter: GSXR e1000
Re: Suzuki GSX-R e848 K2
Habe einen Installationskasten gefunden, der perfekt in die Lücke zwischen Motor und Sitzbank passt.
Dort kann ich die Steuerelektronik vom Regler drin verdrahten.
Dort kann ich die Steuerelektronik vom Regler drin verdrahten.
-
- Beiträge: 751
- Registriert: Fr 5. Mai 2017, 08:39
- Postleitzahl: 96114
- Motorrad Scooter: GSXR e1000
Re: Suzuki GSX-R e848 K2
Kleine Planänderung:
Habe die graue Box von Innen mit Stichsäge und Flex bearbeitet.
Nun passen alle drei Akkus rein. Einer für die Versorgung von Regler, Beleuchtung, Pumpen und Lüfter.
Die anderen zwei sind ausschließlich für die Peltier-Elemente.
Eine Kühleinheit ist mit 576W bei 12VDC angegeben, sprich ca. 48A.
Ein Akku hat 8400mAh. Daraus schlussfolgere ich das ich damit eine Kühleinheit etwa 7-8 Minuten betreiben kann.
Desweiteren habe ich die Steuerkabel schon mal ungefähr in Position gebracht, die herausstehenden Dämpfer mit Gummitüllen ummantelt und das Kameragehäuse angebracht.
Nun warte ich erst einmal auf weiteres Material und werde mir den Stromlaufplan zeichnen.
Habe die graue Box von Innen mit Stichsäge und Flex bearbeitet.
Nun passen alle drei Akkus rein. Einer für die Versorgung von Regler, Beleuchtung, Pumpen und Lüfter.
Die anderen zwei sind ausschließlich für die Peltier-Elemente.
Eine Kühleinheit ist mit 576W bei 12VDC angegeben, sprich ca. 48A.
Ein Akku hat 8400mAh. Daraus schlussfolgere ich das ich damit eine Kühleinheit etwa 7-8 Minuten betreiben kann.
Desweiteren habe ich die Steuerkabel schon mal ungefähr in Position gebracht, die herausstehenden Dämpfer mit Gummitüllen ummantelt und das Kameragehäuse angebracht.
Nun warte ich erst einmal auf weiteres Material und werde mir den Stromlaufplan zeichnen.
-
- Beiträge: 751
- Registriert: Fr 5. Mai 2017, 08:39
- Postleitzahl: 96114
- Motorrad Scooter: GSXR e1000
Re: Suzuki GSX-R e848 K2
Gestern kam der Kasten für die Controller-Verkabelung. Er war schwerer als 3 von meine Akkus!
Nun darf ich mir einen anderen aus GFK in ähnlicher Größe suchen ...
Nun darf ich mir einen anderen aus GFK in ähnlicher Größe suchen ...
-
- Beiträge: 751
- Registriert: Fr 5. Mai 2017, 08:39
- Postleitzahl: 96114
- Motorrad Scooter: GSXR e1000
Re: Suzuki GSX-R e848 K2
Hier mal das Trennrelais, womit ich die Kühleinheiten ansteuern möchte.
-
- Beiträge: 751
- Registriert: Fr 5. Mai 2017, 08:39
- Postleitzahl: 96114
- Motorrad Scooter: GSXR e1000
Re: Suzuki GSX-R e848 K2
Das neue Kästelchen ist eingetroffen
Es ist gefühlt um über 1kg leichter als der Stahlkasten.
Mit den Maßen 300mm x 230mm x 86mm ist es etwa 4mm niedriger aber dafür 30mm breiter wie sein Vorgänger!
Nun sollte ich genügende Platz für die restliche Verdrahtung haben.
Der Kasten wird später noch geschwärzt.

Es ist gefühlt um über 1kg leichter als der Stahlkasten.
Mit den Maßen 300mm x 230mm x 86mm ist es etwa 4mm niedriger aber dafür 30mm breiter wie sein Vorgänger!
Nun sollte ich genügende Platz für die restliche Verdrahtung haben.
Der Kasten wird später noch geschwärzt.
-
- Beiträge: 751
- Registriert: Fr 5. Mai 2017, 08:39
- Postleitzahl: 96114
- Motorrad Scooter: GSXR e1000
Re: Suzuki GSX-R e848 K2
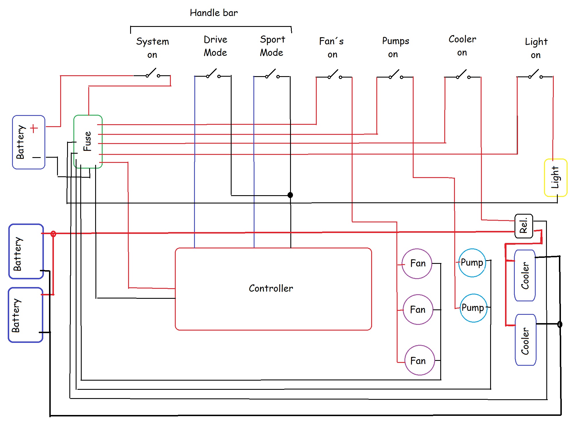
Großteil der Verkabelung abgeschlossen. Es muss natürlich in der Controllerbox noch alles angeschlossen, miteinander verbunden werden.
Habe aber alle Kabel vom Lenker Richtung Controllerbox verlängert. Dann habe ich noch ein paar Schalter in der Box positioniert.
Aber im großen und ganzen kann ich sie nun wieder zerlegen, da noch ein paar Modifikationen am Rahmen und Tank durchgeführt werden müssen.
Habe aber alle Kabel vom Lenker Richtung Controllerbox verlängert. Dann habe ich noch ein paar Schalter in der Box positioniert.
Aber im großen und ganzen kann ich sie nun wieder zerlegen, da noch ein paar Modifikationen am Rahmen und Tank durchgeführt werden müssen.
-
- Beiträge: 751
- Registriert: Fr 5. Mai 2017, 08:39
- Postleitzahl: 96114
- Motorrad Scooter: GSXR e1000
Re: Suzuki GSX-R e848 K2
Nun werde ich den Regler und andere Komponenten lackieren.
Aber erst einmal heißt es Regler abkleben und leicht anschleifen.
Aber erst einmal heißt es Regler abkleben und leicht anschleifen.